Parametric Search
Login

Solutions for 3 phase 4 wire distribution systems

With the rapid development of technology in the modern world, the demand for power and electricity is ever increasing. The traditional single or two-phase power supply system’s become unreliable during phase loss events affecting the equipment and system operations.

 

To mitigate the risk of phase loss, today's system designers are replacing the traditional single and two-phase systems with a three-phase four-wire distribution system. This system has a higher voltage range, higher power factor and is capable of supplying power even during phase loss events. Certain critical equipment may be deployed only if powered by a three-phase power supply system.

 

The three-phase four-wire working voltage may vary depending on the region and country. For example, the voltages for a three-phase four wise system in Russia or China are 380VAC while in American or the UK are 480VAC. The standard 85-264VAC input voltage range power supplies cannot meet the demands of these systems and there is a need for an AC-DC power supply that can operate with both the single-phase or three-phase input voltage range from 100VAC to 480VAC.

 

Aimtec has designed and developed a series of switch-mode power supplies that offer an ultra-wide input voltage range of 90VAC ~ 528VAC. These AC to DC converter offer lower standby power consumption, compact size and high efficiencies which can result in potential energy savings. The converters meet the requirements of EMC Level IV and are ideal for many applications such as energy management systems, digital substations, distribution networks, industrial automation, etc.

 

The recommended rectification circuit and configuration:

The rectification circuit then will be a good cost-effective solution to connect the Aimtec converters to the 3phase 4 wire systems. Below is the recommended rectification circuit that is compatible with the three-phase four-wire system. Even during phase loss events, the circuit will keep operating and supplying the power to the AC to DC converter.

Figure 1 Half-wave rectification circuit meeting the requirement of 4kV differential mode inrush standard

  

 

Figure 2 Full-wave rectification circuit meeting the requirement of 4kV differential mode inrush standard

 

Component

Recommended Value

AME3-BJZ

AMEOF3-BJZ

AMEOF50BJZ

AME10-BJZ

AME20-BJZ

FUSE1/2/3

2.0A Slow blow type

3.15A/500VAC, slow-blow type

MOV1/2/3

14D911K

S20K510

R1/2/3

12Ω/2W

10Ω/5W

D

2A/1000V

2A/1000V

 

 

 

 

 

 

 

 

 

 

 

 

 

With the above-recommended component values Aimtec’s AME3-BJZ, AMEOF3-BJZ, AMEOF5-BJZ, AME10-BJZ, AME20-BJZ can provide a 4kV differential mode inrush protection.

 

Typical Connection Examples:

 

AME3-BJZ

 

Figure 3 AME3-BJZ typical application with Full-wave rectification circuit

 

AMEOF3-BJZ

 

Figure 4 AMEOF3-BJZ typical application with Full-wave rectification circuit

AMEOF5-BJZ

 

Figure 5 AMEOF5-BJZ typical application with Full-wave rectification circuit

 

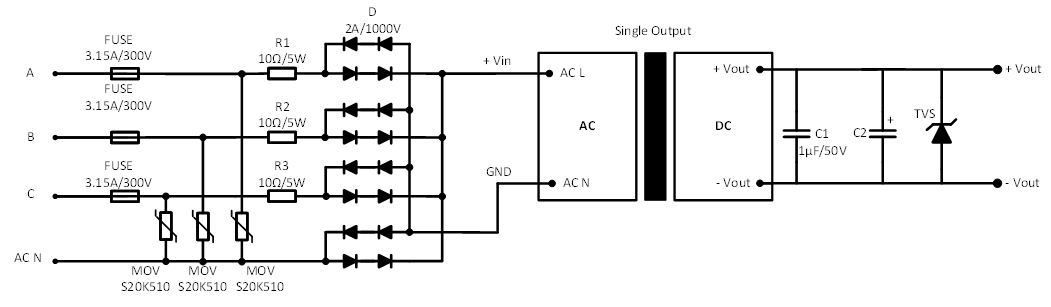
AME10/20-BJZ

 

Figure 6 AME10/20-BJZ typical application with Full-wave rectification circuit

 

The three-phase four-wire power distribution systems are more commonly used in today’s industrial applications that require operating with any two wires to achieve the rated voltage of 380/480VAC (three-phase four-wire).

These systems are required to provide reliable uninterrupted supply during failure events where two phases drop off or have intermittent issues thus offering a very reliable power supply.